Vt Commodore Ignition Wiring Diagram, Complete Wiring Diagrams For Holden Commodore VT, VX, VY, VZ, VE, VF, 5.36 MB, 03:54, 32,796, John Amahle, 2018-08-01T19:37:41.000000Z, 19, Vt Commodore Ignition Wiring Diagram, to-ja-to-ty-to-my-to-nasz-swiat.blogspot.com, 1272 x 1800, jpeg, bcm pcm 12j swiat nasz, 20, vt-commodore-ignition-wiring-diagram, Anime Arts
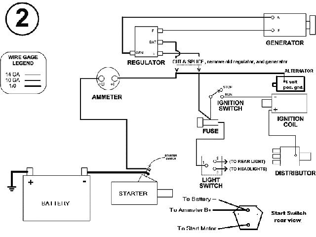
Tue apr 09, 2013 3:28 pm post subject: Bob m and wiring / 12 volt conversions. I am trying to find both an alt. For a farmall m that will charge at low rpm and not have to cut hood,as well as a complete sketched wiring diagram for a farmall m with magneto and will have lights on light bar as well as rear light.
Others do to , but i like steiner cause ther products carry more descriptions of fit and function in there catalog imo. I would haven't not pick up on the the difference in 3 and four 6 volt postion switches. Reading there description cleared up things for me. Farmall super m wiring diagram 6 volt for h facybulka me, farmall electrical systems, yesterday s tractors step by step 12 volt conversion hoping to get a little help i have a farmall h running on 6 volt system i just converted it to 12 volt Wiring farmall diagram super 12v volt parts schematic gooddy pdf 1941 forums harness g11 px source. Farmall m wiring diagram. Where can i find a wiring diagram for the m generator. Mine is one with only one relay coil mounted on the generator. I think the light switch is used to change the generator output.
Who's good at 6V Farmalls? | For B Bodies Only Classic Mopar Forum
Farmall Cub Wiring Diagram 6 Volt - Wiring Diagram
[DIAGRAM] Diagram On Farmall 6 Volt
Farmall H Wiring Diagram 6 Volt - Wiring Diagram
[DIAGRAM] Diagram On Farmall 6 Volt
![Farmall M 6 Volt Wiring Diagram [DIAGRAM] Diagram On Farmall 6 Volt](https://i.pinimg.com/originals/9d/6b/e0/9d6be0d1c24f4f49dfd910139021b035.jpg)
Farmall H Wiring Diagram 6 Volt : Farmall H Wiring Diagram 6 Volt Full Hd Quality Version 6 Volt
Wiring Diagram For Tractor Alternator

I have a Farmall Model that I want to change from the 6-volt generator to a 12-volt single wire
